Skymaster Forum  

Go Back   Skymaster Forum > Messages
Register FAQ Members List Calendar Today's Posts

Reply
 
Thread Tools Rate Thread Display Modes
  #1  
Unread 10-10-22, 10:25 PM
Jhogan0101's Avatar
Jhogan0101 Jhogan0101 is offline
Registered User
 
Join Date: Mar 2019
Location: Philadelphia
Posts: 204
Jhogan0101 is on a distinguished road
Whats normal top off/refill of hydraulic fluid (337B)?

I seem to be losing fluid from the overflow vent.
Within 3 flights i had to topoff about a quart of fluid.
Whats considered normal?
If this isnt normal, what would cause this?
__________________
337B
Philadelphia PA
Reply With Quote
  #2  
Unread 10-11-22, 05:56 PM
n86121's Avatar
n86121 n86121 is offline
Registered User
 
Join Date: Nov 2003
Location: Potomac Airfield~!
Posts: 354
n86121 is on a distinguished road
Check maintenance manual

There was one condition where the system spits hydraulic fluid out over the side,
and it won't leave a stain UNLESS it happens to hit the pilot side gear leg in flight.

The fix was minor, the condition in the maintenance manual somewhere under landing gear.
__________________
David Wartofsky
Potomac Airfield
10300 Glen Way
Fort Washington, MD 20744
Reply With Quote
  #3  
Unread 11-04-22, 09:44 AM
Frank Benvin's Avatar
Frank Benvin Frank Benvin is offline
Registered User
 
Join Date: Apr 2002
Location: CYCD
Posts: 353
Frank Benvin is an unknown quantity at this point
Did you find out why your loosing fluid ?
__________________
1967 337B
Flying in Skymasters since I was 16
Reply With Quote
  #4  
Unread 11-04-22, 10:12 AM
Jhogan0101's Avatar
Jhogan0101 Jhogan0101 is offline
Registered User
 
Join Date: Mar 2019
Location: Philadelphia
Posts: 204
Jhogan0101 is on a distinguished road
Im in the process of testing. the fill screw was missing, im thinking that could have caused an issue. plugged it back up yesterday. ill report back.
__________________
337B
Philadelphia PA
Reply With Quote
  #5  
Unread 11-05-22, 06:55 PM
wslade2 wslade2 is offline
Registered User
 
Join Date: Feb 2016
Location: none
Posts: 304
wslade2 is on a distinguished road
Be aware of air in the system which can cause the fluid to foam up and overflow.
Reply With Quote
  #6  
Unread 11-05-22, 07:23 PM
Jhogan0101's Avatar
Jhogan0101 Jhogan0101 is offline
Registered User
 
Join Date: Mar 2019
Location: Philadelphia
Posts: 204
Jhogan0101 is on a distinguished road
yes. i did experience this when the nut on the elbow going into the rear hydro pump was loose and the threads wore out. it created a venturi situation and hydro fluid foamed out of the vent. took a while to find/understand what was happening.

anyway, this is different.

i have flown a couple times and it seems top off is minimal now. signs pointing to missing hydro fill screw causing the issue.
__________________
337B
Philadelphia PA
Reply With Quote
  #7  
Unread 11-05-22, 10:54 PM
wslade2 wslade2 is offline
Registered User
 
Join Date: Feb 2016
Location: none
Posts: 304
wslade2 is on a distinguished road
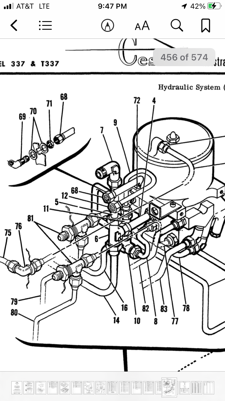
Looks like the fill tube goes to the bottom of the reservoir. If so, missing that nut leaves tube open to a high pressure area from ram air. Can pressurize reservoir and possibly even bubbles the fluid introducing air or even foaming.

See attached link
Tube #68
Attached Images
File Type: png DBF3836C-322C-4406-BC8D-A9CEF82BA1BE.png (406.6 KB, 2128 views)
Reply With Quote
Reply



Posting Rules
You may not post new threads
You may not post replies
You may not post attachments
You may not edit your posts

vB code is On
Smilies are On
[IMG] code is Off
HTML code is Off
Forum Jump


All times are GMT -4. The time now is 12:08 AM.


Powered by vBulletin® Version 3.6.9
Copyright ©2000 - 2026, Jelsoft Enterprises Ltd.